Содержание
Как работает двигатель на природном газе. Автомобиль на природном газе. Серийные автомобили на природном газе
Австрийские специалисты совместно с ОАО «ГАЗ» проработали установку Ml в «ГАЗель», и, получив положительные результаты, 11 декабря 1995 года ОАО «ГАЗ» приобрело лицензию у фирмы Steyr на производство двигателей этого семейства. Как позднее выяснилось, пример нижегородцев оказался заразительным: после них аналогичную лицензию купила корейская компания Daewoo.
Дизель ГАЗ-561
Собранные из привозных деталей на ОАО «ГАЗ» несколько десятков двигателей хорошо зарекомендовали себя в эксплуатации, оказались нетребовательными к отечественному дизтопливу, прекрасно заводились в 30-градусные морозы — словом, подтвердили мнение о моторе как о высокоэффективном и надежном. Это позволило нижегородцам сделать следующий шаг.
25 июня 1998 года во время визита в Австрию премьер-министра России Евгения Примакова президентом ГАЗа Николаем Пугиным и президентом концерна Маgnа Steyr (в 1997-м контрольный пакет акций Steyr перешел в собственность канадской компании Magna, изменившей название моторостроительной фирмы) было подписано рабочее соглашение об организации совместного предприятия по серийному производству дизельных двигателей семейства Ml, и в конце года СП было создано. Соотношение уставного капитала в образованной компании составляло 50% на 50%. 19 февраля 1997 года началось производство моторов ГАЗ-560 (такое название получил Stuyr Ml на ГАЗе) из импортных комплектующих.
Даешь дизелизацию страны!
В июле 1999 года президент ОАО «ГАЗ» Н.А. Путин подписал приказ об организации в составе акционерного общества нового подразделения — Завода дизельных двигателей семейства ГАЗ-560. На заводе будет осуществляться механическая обработка основных деталей мотора, его сборка и испытания. В 2000 году предполагается собрать не менее 20 тысяч дизелей. Для выпуска комплектующих деталей и узлов двигателей специалистами ОАО «ГАЗ» активно привлекаются нижегородские и российские предприятия. Уже 40 заводов Нижегородской области и других регионов России осваивают новое для себя дело. В перспективе объем российского производства комплектующих, изготавливаемых в ОАО «ГАЗ» и на отечественных заводах-смежниках, составит около 90%. Отметим, что мощность завода дизельных двигателей (ЗДЛ,) определена в 250 тысяч дизелей в год.
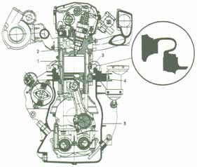
Разрез двигателя ГАЗ — 560: 1-моноблок; 2-насос-форсунка; 3-мембранное уплотнение; 4-эластичный упор; 5-нижний кожух-поддон картера.
Предполагается выпускать унифицированные 4-, 5- и 6-цилиндровые дизели рабочим объемом от 2,1 до 3,2 л мощностью от 95 до 150 л,с. Все с турбонаддувом, в вариантах с интеркулером или без него. В ОАО «ГАЗ» ими будут оснапцаться все перспективные грузовики малой и средней грузоподъемности, легковые автомобили, пикапы, микроавтобусы. Предложения по использованию дизелей ГАЗ-560 сделаны московскому ЗИЛу и Ульяновскому автомобильному заводу. Впрочем, это все дело будущего. А пока самым актуальным является четырехцилиндровый мотор для «Волги», «ГАЗели», «Атамана» и «УАЗа».
Новое — это хорошо забытое старое
Главная особенность дизелей семейства M1 заключается в моноблочности их конструкции, Это значит, что у двигателя отсутствуют головка блока и сам блок цилиндров, а вместо этого имеется один чугунный моноблок — решение очень распространенное в моторах начала века. «Возврат к прошлому оправдан», — посчитали австрийские конструкторы.
Дизель ГАЗ-560
При таком подходе автоматически решаются многие проблемы, характерные для традиционных моторов. Отсутствие прокладки между головкой и блоком, газового стыка и разъема в камере сгорания исключило возможность прогара прокладки и необходимость ее замены при перегреве дизеля из-за потери охлаждающей жидкости, которая у M1 не может попасть в масло. Поскольку не нужно крепить головку шпильками, исчезает вероятность их обрыва или недотяга.
Дизель одноразового применения?
По сравнению с обычной схемой увеличивается жесткость моноблока и улучшается охлаждение цилиндров. В итоге износ двигателя снижается, он работает тише и меньше вибрирует. Почему такие моторы не выпускались раньше? Просто не было еще сконструировано сложное оборудование для обработки глухих отверстий.
Дизель ГАЗ-561
Подождите, а как же расточить цилиндр, заменить клапан? Ведь эти операции потребуют практически полной разборки двигателя. В том-то и дело, что, поверите вы или нет, но многолетняя работа над двигателем (а ее вели совместно специалисты фирм Steyr и AWL, всемирно известной австрийской инжиниринговой компании, занимающейся исследованиями, испытани- ями и разработкой новых двигателей) позволила избавиться от необходимости подобных работ.
Ремонт изношенного двигателя M1 может производиться простой заменой старого моноблока на новый, поставляемый в запчасти. При этом Steyr, например, отправляет заказчику подсобранные и обкатанные на стенде моноблоки, внутри которых — поршни, шатуны, коленчатый вал в подшипниках. Точно так же могут ремонтировать и дизели ГАЗ-560. Согласитесь, качество подобного ремонта намного выше того, которое можно получить кустарными «переборками».
Еще одна особенность Ml состоит в том, что топливо внутрь камеры сгорания впрыскивают насос-форсунки, работающие от кулачков распредвала и развивающие давление до 1800 бар. Впрыск осуществляется в две фазы, а командует им микропроцессорная система, следящая за токсичностью отработавших газов и стремящаяся к тому, чтобы работа дизеля была максимально экономичной. Насос-форсунка, объединяющая в себе и насос высокого давления, и собственно форсунку, делает ненужными трубопроводы высокого давления, повышая тем самым надежность работы. Сейчас для ГАЗ-560 насос-форсунки поставляет чешская фирма Autopal, а в будущем их должен освоить отечественный производитель.
Нельзя не отметить бесшумность этого двигателя. Конструктивно она обеспечивается алюминиевым разъемным кожухом-поддоном картера, состоящим из двух половин, которые эластично (!), с помощью специальных резиновых упоров крепятся к моноблоку. Также для снижения шума служит капсула, закрывающая верхнюю часть мотора. Несомненно, освоение сборки таких двигателей — дело очень сложное, требующее особой культуры производства, непривычных навыков и необычного оборудования.
Первые результаты впечатляют
Эксплуатация автомобилей, оснащенных дизелями семейства ГАЗ-560, показала, что ходимость моторов составляет 300 тыс. км. Характерными их свойствами являются: высокая эластичность, отличная приемистость, низкие расход топлива и токсичность выхлопа, приспособленность к российским климатическим условиям.
Турбокомпрессор дизеля
Последнее требует пояснения: дело в том, что форсунки мотора дополнительно охлаждаются топливом, которое при обратном сливе повышает температуру в баке. Поразительно, но зимой, в сильный мороз, бак дизельных «ГАЗелей» на ощупь всегда бывает теплым. А это полностью снимает проблему парафинирования топлива, порой донимающую водителей дизельных иномарок.
Опыт работы дизельных «ГАЗелей» на фирме «Автолайн» в Нижнем Новгороде, где количество маршруток с моторами ГАЗ-560 достигло 700, показал, что двигатели эти очень надежны, работают на обычном российском дизтопливе, существенно экономят средства на горючее по сравнению с бензиновыми «ГАЗелями», повышая эффективность перевозок.

Шестицилиндровые дизели ГАЗ — 562
В соответствии с планами завода переход на отечественные комплектующие для сборки дизелей позволит избавиться от единственного сегодняшнего недостатка мотора — его высокой себестоимости. Что касается продажной цены, то сегодня она равна $2000 и не будет расти. Пока же большой интерес, проявленный к двигателю зарубежными покупателями, способствует постоянному увеличению его производства, повышению конкурентоспособности продукции с маркой «ГАЗ» на западных рынках. В последние два года была проведена сертификация и осуществлены поставки автомобилей с двигателем ГАЗ-560 в Германию, Чехию, Венгрию, Хорватию, Словению, Югославию и Аргентину. В 2000 году продолжаются поставки в эти страны, а также по новым контрактам в страны Балтии, Юго-Восточной Азии, Турцию и Уругвай. Так самый оригинальный из российских дизелей — ГАЗ-560 — завоевывает себе право на жизнь.
Газовый и бензиновый двигатели: что лучше?
Безиновый двигатель лучше или на газу? Спор между сторонниками этих видов топлива длится довольно долго. У тех и у других есть убедительные доводы, подтверждающие их правоту. Мы ознакомимся с мнениями обеих сторон и сделаем свои выводы относительно целесообразности установки на автомобилях газобаллонного оборудования (ГБО).
Газ и бензин: конкуренция на века
Наверняка не все знают, что газовый двигатель старше бензинового. Первый двигатель внутреннего сгорания (ДВС), работающий на газовом топливе, был изобретен бельгийским инженером Жаном Этьеном Ленуаром в 1860 году.
Прародитель современных газовых движков буквально «пожирал» газ, выдавая на-гора КПД всего в 4 %.
Его конкурент, работающий на жидком топливе, появился на свет спустя два десятка лет. Немецкий конструктор Готтлиб Даймлер создал одноцилиндровый бензиновый двигатель, превзошедший газовый по мощности.

Дальнейшее развитие двигателей внутреннего сгорания происходило на основе бензиновых движков, и до конца прошлого века они оставались безусловными лидерами. Однако удорожание бензина заставило задуматься о применении более дешевого вида топлива, и взоры автомобилестроителей снова устремились в сторону более доступного газа.
Преимущества и недостатки двигателя на бензине
Мы собрали и обобщили мнения опытных водителей, имевших дело с газовыми и бензиновыми движками. Вашему вниманию будут предложены доводы, приводимые ими как в пользу одного, так и в пользу другого ДВС.
- Высокую мощность, результатом которой становится отличная динамика разгона и большая скорость. На светофоре вы будете «рвать» с места, а на трассе легко идти с максимальной скоростью.
- Низкий износ клапанов. Бензин смывает с них гарь, которая может стать причиной нарушения их контакта с седлом и прогорания. Это значительно увеличивает ресурс двигателя и продляет ему жизнь.
- Низкий расход топлива. В среднем он на 15 % ниже, чем у двигателей, работающих на газе, поэтому и на заправку приходится заезжать несколько реже.

Однако у бензиновых ДВС есть и масса минусов:
- Высокая стоимость топлива. Бензин вдвое дороже газа, поэтому даже при меньшем расходе в сравнении с газом затраты на жидкое топливо будут больше. В зависимости от марки авто и региональных цен на ГСМ заправка бензинового движка из расчета на 100 тыс. км обойдется дороже газового на 40—60 %. цилиндров двигателя. Бензин образует на них пленку, препятствующую их нормальной смазке, без которой срок службы мотора значительно сокращается.
- Низкое качество топлива. На АЗС стало общепринятой практикой добавлять в бензин различные присадки, которые засоряют двигатель, укорачивая его век.
- Между тем, капремонт или замена движка — удовольствие не из дешевых.
- Угроза окружающей среде. В выхлопных газах автомобиля, даже если он соответствует стандарту евро-4, наблюдается высокая концентрация окиси углерода. СО2 экологи называют главным разрушителем озонового слоя атмосферы, а медики обвиняют в губительном воздействии на здоровье человека.
Преимущества и недостатки газового двигателя
Работающие на газе двигатели имеют ряд привлекательных характеристик, заставляющих водителей делать выбор в их пользу:

- Минимальное содержание в выхлопах оксида углерода и формальдегидов. Экологично, безвредно для здоровья. Минимальный вред для природы и максимальная выгода для любителей путешествовать за границу на своем авто: пограничники к таким автомобилям не имеют претензий.
- Высокое октановое число. Стойкость газа к детонации составляет 100—105 единиц, тогда как у бензина — 80—95. Всем понятно, что от стойкости топлива к возгоранию напрямую зависит безопасность, и с этой точки зрения лучше будут защищены водитель и пассажиры автомобиля с ГБО.
- Низкая нагрузка на цилиндры, следствием которой становится увеличение ресурса двигателя на 15 %.
- Увеличение пробега между заменой моторного масла. Бензин выделяет продукты горения, которые загрязняют смазку и периодически приводят ее в негодность. В случае с газом это происходит в среднем в полтора раза реже. Вы экономите на покупке масла и замене фильтров.
- Экономичность. Как мы уже писали, газ стоит в два раза дешевле бензина, и даже учитывая, что его потребление на 15 % превышает «аппетит» бензинового двигателя, для автомобилистов, которым приходится много ездить, его выгода очевидна.
Во избежание упреков в необъективности упомянем и о недостатках газовых двигателей:
- Дорогостоящая установка ГБО. Сегодня специалисты уже ставят ГБО пятого поколения, позволяющее автомобилю минимизировать потери мощности и максимизировать экономию топлива. На инжекторные двигатели ставят газовое оборудование начиная с третьего поколения, цена которого колеблется от 300 до $400. Установка более современного ГБО обойдется в $1500 — 1700.

- Сложности с пуском двигателя в мороз. Специалисты смогли решить эту проблему, создав симбиоз газового и бензинового моторов: с утра и в холодное время года заводитесь на бензине, а ездите на газе.
- Уменьшение объема багажника. Чаще всего газовый баллон размещают в багажнике легкового авто, поэтому полезного места для перевозки вещей и продуктов становится меньше, да и запаску приходится пристраивать в другом месте.
- Низкая тяга. В сравнении с бензиновым топливом газ «забирает» у двигателя от 7 до 15 % мощности. Вы не сможете «выжать» на трассе максимальную цифру на вашем спидометре, да и старт на светофоре будет не таким быстрым.
- Высокая рабочая температура. К ней особенно чувствительны поршни, поэтому придется пристально следить за их исправностью, а заодно за работой системы охлаждения ДВС.
Из-за высокой теплоемкости сгорания газа специалисты советуют взвешенно принимать решение об установке ГБО на автомобилях с японскими двигателями. Парадоксально, но факт: причина кроется в совершенстве мотора японского производителя.
Обладая высокими показателями удельной мощности, такой двигатель работает практически на пределе и имеет минимальный запас прочности. Повышенная тепловая нагрузка на камеру сгорания и клапаны приводит к быстрому износу механизма и выходу из строя.
Информации относительно нежелательности переоборудования других марок автомобилей под газовое топливо мы не встречали.

Двигатель, переделанный под газ, нуждается в более пристальном внимании и уходе, чем бензиновый. Готовьтесь к тому, что придется чаще менять мембрану редуктора (каждые 100 тыс. км) и сливать конденсат (каждые 10 тыс. км).
Мнения по поводу взрывоопасности автомобилей, оборудованных ГБО, раздваиваются. С одной стороны, у вас в машине находится газовый баллон, который может взорваться. С другой — статистика ГАИ фиксирует единичные случаи подобных аварий. При деформации у баллона срабатывает предохранительный клапан, выпускающий часть газа в воздух и понижающий его давление.

ГАИ требует перерегистрировать транспортное средство, если оно было переоборудовано ГБО. Вас заставят документально подтвердить факт наличия у фирмы, занимавшейся установкой оснащения, разрешения на подобный вид деятельности и представить заключение экспертизы о безопасности ГБО. А это время, нервы и деньги.
Устанавливая газовое оснащение, пользуйтесь услугами специализированных СТО, уровень подготовки специалистов которых позволяет произвести качественную наладку оборудования и исключить в дальнейшем возможные поломки.
Кому выгоден двигатель на газе
Давайте подсчитаем, выгодно ли оснащать авто газовым двигателем. Допустим, в день вы преодолеваете расстояние в 120 км, соответственно в год — 43 800 км. При расходе бензина 10 л на 100 км и цене в $1 за 1 л заправка вам обойдется в $4380. Газ при том же пробеге «потянет» на $2518,5. Из цифр видно, что уже в течение первого года вы перекроете затраты на установку оборудования.
Если вы ездите мало, скажем, 20 км в день. Оплата бензина вам обойдется в $730, а газа — в $419,75. На то, чтобы окупить переоборудование машины под ГБО, вам понадобится более 5 лет.
Вывод: оснащение автомобиля ГБО выгодно тем, кому приходится много ездить. Если вы таксист, водитель маршрутки или коммерческой «газели», газ принесет вам значительную экономию. Если же ваш ежедневный маршрут пролегает от дома до работы и обратно, то овчинка выделки не стоит: бензиновый двигатель это ваш вариант.
В Деталях. ГБО 4 поколения (H-Auto):
Забирай себе, расскажи друзьям!
Читайте также на нашем сайте:
О достоинствах газомоторного топлива, в частности метана, сказано немало, но напомним о них еще раз.
Это экологичный выхлоп, удовлетворяющий текущие и даже будущие законодательные требования к токсичности. В рамках культа глобального потепления это важное преимущество, поскольку нормы Euro 5, Euro 6 и все последующие будут насаждаться в обязательном порядке и проблему с выхлопом так или иначе придется решать. К 2020 г. в Евросоюзе новым транспортным средствам будет разрешено производить в среднем не более 95 г СО2 на километр. К 2025 г. этот допустимый предел могут еще опустить. Двигатели на метане способны удовлетворить эти нормы токсичности, и не только благодаря меньшему выбросу СО2. Показатели выбросов твердых частиц в газовых двигателях также ниже, чем у бензиновых или дизельных аналогов.
Далее, газомоторное топливо не смывает масло со стенок цилиндра, что замедляет их износ. Как утверждают пропагандисты газомоторного топлива, ресурс двигателя волшебным образом вырастает в разы. При этом они скромно умалчивают о теплонапряженности работающего на газе двигателя.

И главное преимущество газомоторного топлива – это цена. Цена и только цена покрывает все недостатки газа как моторного топлива. Если мы говорим о метане, то это неразвитая сеть АГНКС, которая буквально привязывает газовый автомобиль к заправке. Количество заправок сжиженным природным газом ничтожно, этот вид газомоторного топлива сегодня представляет собой нишевой, узкоспециальный продукт. Далее, газобаллонное оборудование занимает часть полезной грузоподъемности и полезного пространства, ГБО хлопотно и накладно в обслуживании.
Технический прогресс породил такой вид двигателя, как газодизель, живущий в двух мирах: дизельном и газовом. Но как универсальное средство газодизель не реализует в полном объеме возможности ни того, ни другого мира. Нельзя оптимизировать ни процесс сгорания, ни показатели КПД, ни образование выбросов для двух видов топлива на одном двигателе. Для оптимизации газовоздушного цикла нужно специализированное средство – газовый двигатель.

Сегодня все газовые двигатели используют внешнее образование газовоздушной смеси и воспламенение от свечи зажигания, как в карбюраторном бензиновом двигателе. Альтернативные варианты – в стадии разработки. Газовоздушная смесь образуется во впускном коллекторе путем инжекции газа. Чем ближе к цилиндру происходит этот процесс, тем быстрее реакция двигателя. В идеале газ должен впрыскиваться прямо в камеру сгорания, о чем речь пойдет ниже. Сложность управления не единственный недостаток внешнего смесеобразования.
Инжекция газа управляется электронным блоком, который также регулирует угол опережения зажигания. Метан горит медленнее дизельного топлива, то есть газовоздушная смесь должна воспламеняться раньше, угол опережения также регулируется в зависимости от нагрузки. Кроме того, метану нужна меньшая степень сжатия, нежели дизельному топливу. Так, в атмосферном двигателе степень сжатия снижают до 12–14. Для атмосферных двигателей характерен стехиометрический состав газовоздушной смеси, то есть коэффициент избытка воздуха a равен 1, что в какой-то степени компенсирует потерю мощности от снижения степени сжатия. КПД атмосферного газового двигателя на уровне 35%, тогда как у атмосферного же дизеля КПД на уровне 40%.

Автопроизводители рекомендуют использовать в газовых двигателях специальные моторные масла, отличающиеся водостойкостью, пониженной сульфатной зольностью и одновременно высоким значением щелочного числа, но не возбраняются и всесезонные масла для дизельных двигателей классов SAE 15W-40 и 10W-40, которые на практике применяются в девяти случаях из десяти.
Турбокомпрессор позволяет снизить степень сжатия до 10–12 в зависимости от размерности двигателя и давления во впускном тракте, а коэффициент избытка воздуха увеличить до 1,4–1,5. При этом КПД достигает 37%, но одновременно значительно возрастает теплонапряженность двигателя. Для сравнения: КПД турбированного дизельного двигателя достигает 50%.
Повышенная теплонапряженность газового двигателя связана с невозможностью продувки камеры сгорания при перекрытии клапанов, когда в конце такта выпуска одновременно открыты выпускные и впускные клапаны. Поток свежего воздуха, особенно в наддувном двигателе, мог бы охлаждать поверхности камеры сгорания, снижая таким образом теплонапряженность двигателя, а также снижая нагрев свежего заряда, это увеличило бы коэффициент наполнения, но для газового двигателя перекрытие клапанов недопустимо. Из-за внешнего образования газовоздушной смеси воздух всегда подается в цилиндр вместе с метаном, и выпускные клапаны в это время должны быть закрыты во избежание попадания метана в выпускной тракт и взрыва.

Уменьшенная степень сжатия, повышенная теплонапряженность и особенности газовоздушного цикла требуют соответствующих изменений, в частности, в системе охлаждения, в конструкции распредвала и деталей ЦПГ, а также в применяемых для них материалах для сохранения работоспособности и ресурса. Таким образом, стоимость газового двигателя не так уж отличается от стоимости дизельного аналога, а то и выше. Плюс к этому стоимость газобаллонного оборудования.
Флагман отечественного автомобилестроения ПАО «КАМАЗ» серийно выпускает газовые 8-цилиндровые V-образные двигатели серий КамАЗ-820.60 и КамАЗ-820.70 размерностью 120х130 и рабочим объемом 11,762 л. Для газовых двигателей используют ЦПГ, обеспечивающую степень сжатия 12 (у дизельного КамАЗ-740 степень сжатия 17). В цилиндре газовоздушная смесь воспламеняется искровой свечой зажигания, установленной вместо форсунки.
Для большегрузных автомобилей с газовыми двигателями используют специальные свечи зажигания. Так, Federal-Mogul поставляет на рынок свечи с иридиевым центральным электродом и боковым электродом, выполненным из иридия или платины. Конструкция, материалы и характеристики электродов и самих свечей учитывают температурный режим работы большегрузного автомобиля, характерный широким диапазоном нагрузок, и сравнительно высокую степень сжатия.
Двигатели КамАЗ-820 оборудуют системой распределенного впрыска метана во впускной трубопровод через форсунки с электромагнитным дозирующим устройством. Газ инжектируется во впускной тракт каждого цилиндра индивидуально, что позволяет корректировать состав газовоздушной смеси для каждого цилиндра с целью получения минимальных выбросов вредных веществ. Расход газа регулируется микропроцессорной системой в зависимости от давления перед инжектором, подача воздуха регулируется дроссельной заслонкой с приводом от электронной педали акселератора. Микропроцесорная система управляет углом опережения зажигания, обеспечивает защиту от воспламенения метана во впускном трубопроводе при сбое в системе зажигания или неисправности клапанов, а также защиту двигателя от аварийных режимов, поддерживает заданную скорость автомобиля, обеспечивает ограничение крутящего момента на ведущих колесах автомобиля и самодиагностику при включении системы.

«КАМАЗ» в значительной степени унифицировал детали газовых и дизельных двигателей, но далеко не все, и многие внешне схожие детали для дизеля – коленвал, распредвал, поршни с шатунами и кольцами, головки блока цилиндров, турбокомпрессор, водяной насос, масляный насос, впускной трубопровод, поддон картера, картер маховика – не подходят для газового двигателя.
В апреле 2015 г. «КАМАЗ» запустил корпус газовых автомобилей мощностью 8 тыс. единиц техники в год. Производство размещено в бывшем газодизельном корпусе автозавода. Технология сборки следующая: шасси собирают и устанавливают на него газовый двигатель на главном сборочном конвейере автомобильного завода. Потом шасси буксируют в корпус газовых автомобилей для монтажа газобаллонного оборудования и проведения всего цикла испытаний, а также для обкатки автотехники и шасси. При этом газовые двигатели КАМАЗ (в том числе модернизированные с компонентной базой «БОШ»), собираемые на моторном производстве, также проходят испытания и обкатку в полном объеме.
«Автодизель» (Ярославский моторный завод) в содружестве с компанией Westport разработал и выпускает линейку газовых двигателей на базе семейства 4- и 6-цилиндровых рядных двигателей ЯМЗ-530. Шестицилиндровый вариант может устанавливаться на автомобили нового поколения «Урал NEXT».

Как уже говорилось выше, идеальный вариант газового двигателя – это непосредственный впрыск газа в камеру сгорания, но до сих пор мощнейшее глобальное машиностроение не создало такой технологии. В Германии исследования ведет консорциум Direct4Gas, возглавляемый компанией Robert Bosch GmbH в партнерстве с Daimler AG и Штутгартским научно-исследовательским институтом автомобильной техники и двигателей (FKFS). Министерство экономики и энергетики Германии поддержало проект суммой в 3,8 млн евро, что на самом деле не так уж много. Проект будет работать с 2015-го до января 2017 г. На-гора должны выдать промышленный образец системы непосредственного впрыска метана и, что не менее важно, технологию ее производства.
По сравнению с нынешними системами, использующими многоточечный впрыск газа в коллектор, перспективная система непосредственного впрыска способна на 60% увеличить крутящий момент на низких оборотах, то есть ликвидировать слабое место газового двигателя. Непосредственный впрыск решает целый комплекс «детских» болезней газового двигателя, принесенных вместе с внешним смесеобразованием.
В проекте Direct4Gas разрабатывают систему непосредственного впрыска, способную быть надежной и герметичной и дозировать точное количество газа для впрыска. Модификации самого двигателя сведены к минимуму, чтобы промышленность могла использовать прежние компоненты. Команда проекта комплектует экспериментальные газовые двигатели недавно разработанным клапаном впрыска высокого давления. Систему предполагается тестировать в лаборатории и непосредственно на транспортных средствах. Исследователи также изучают образование топливно-воздушной смеси, процесс управления зажиганием и образование токсичных газов. Долгосрочная цель консорциума – это создание условий, при которых технология сможет выйти на рынок.
Итак, газовые двигатели – это молодое направление, еще не достигшее технологической зрелости. Зрелость наступит, когда Bosch со товарищи создадут технологию непосредственно впрыска метана в камеру сгорания.
Статья о достоинствах и недостатках газового оборудования для автомобилей. Параллельное применение газа и бензина, пожароопасность, экология. В конце статьи — видео о ГБО.

Содержание статьи
Установить газобаллонное оборудование – это значит довольно серьезно нарушить конструкцию автомобиля. Подобное решение не всегда бывает благодарным, потому что после такой переделки гарантия на машину уйдет в небытие, словно ее и не было. Однако, несмотря на такой риск, многие водители решаются на такую реконструкцию, и не без оснований.
Причины установки ГБО

Основной причиной для монтирования газобаллонного оборудования автолюбители считают экономию финансовых средств, если при этом еще учесть неукротимо возрастающие цены на бензин и дизельное топливо.
При этом надо сказать, что установка ГБО, как и любая другая реконструкция автомобиля, имеет свои преимущества, как, впрочем, и недостатки. Сопоставляя то и другое, многие водители нередко отдают предпочтение газу как топливу. Давайте попробуем разобраться во всех этих плюсах и минусах, чтобы в дальнейшем вы смогли сделать для себя правильный выбор.
Основные преимущества газобаллонного оборудования

Главный плюс газового топлива – это его экономичность. Несмотря на то, что газа в автомобиле расходуется на 20% больше, он почти в два раза дешевле бензина.
Но при этом нужно иметь в виду, что такая экономия будет работать на вас только в том случае, если вы эксплуатируете автомобиль с максимальной интенсивностью. В противном случае выгода установки такого оборудования станет весьма сомнительной.
Также не забывайте и про показатель расхода топлива, который имеется на двигателе вашей машины. Если этот показатель не переступает границу 6 литров на 100 километров, то надо лишний раз подумать о переходе на газовое топливо.
Причиной для принятия такого решения могут послужить следующие обстоятельства: при двигателе с небольшим объемом, а также при малых пробегах ваши затраты на приобретение газового оборудования будут окупаться слишком долго, особенно если учесть разницу цен одного литра бензина и одного литра газа.
Параллельное применение газа и бензина

Выгоду параллельного использования газового и бензинового видов топлива в первую очередь смогут оценить водители, у которых есть необходимость совершать регулярные рейсы на большие расстояния. При таком оснащении у вас возникает дополнительный запас пробега автомобиля. То есть, вы сможете проехать достаточно большое расстояние, не заправляясь и, таким образом, избегая сомнительные автозаправочные станции, которые могут попадаться вдали от крупных городов.
В качестве примера представьте, что определенную часть вашего маршрута вы едете на газе, а после того, как он закончился, сразу переключаетесь на бензин. Или наоборот. Кроме того, многие автолюбители применяют такую стратегию: на больших трассах, где возникает необходимость обгона на большой скорости, они используют бензин. А в пределах населенных территорий, где большой мощности двигателя не требуется, переключаются на газовое питание.
Особенности работы двигателя на газовом топливе

Многие владельцы автомашин по опыту не раз замечали, что мотор на газе функционирует с меньшим шумом и намного стабильнее, чем на бензине. Эту особенность объяснить несложно: октановое число у газа превосходит бензиновое и составляет примерно 110.
Благодаря именно этому обстоятельству двигатель на газе работает более плавно и мягче. По тем же причинам снижается процент вибраций и шума. В развитых европейских странах и в США уделяется внимание такому негативному проявлению, как шумовое загрязнение больших городов, и там преимущество ГБО неоспоримо. В России и в странах СНГ эта проблема пока не настолько актуальна, но, как известно, прогресс не стоит на месте.
Многие автолюбители, предпочитающие газобаллонное оборудование, не без основания считают, что моторы, питающиеся газом, имеют более длительный срок эксплуатации, нежели те агрегаты, которые потребляют бензин. И это действительно так.
Объясняется это тем, что пропан-бутан в системе подачи топлива находится в жидком виде. Проникая в цилиндры ДВС, он мгновенно переходит в нужное газообразное состояние, готовое к употреблению.
В сравнении с газом бензин подобным свойством не обладает, несмотря на то, что разработчики разных стран стремятся максимально приблизить рабочую смесь бензина и воздуха к газообразному состоянию.
Примечание: ГБО на метане в легковых машинах не применяется, потому что такая система имеет слишком большие размеры и вес.
Зажигание на газовом двигателе работает намного эффективнее. Несмотря на то, что газ сгорает не так быстро, как бензин, процесс этого сгорания протекает значительно равномернее, чем процесс сгорания бензино-воздушной смеси. И это обстоятельство дает следующие преимущества:
- Снижение ударных нагрузок на цилиндр и поршень.
- Большой октановый показатель газового топлива сводит к минимуму детонацию и ее негативное воздействие.
- Основной аргумент в пользу ГБО – более длительный процесс износа двигателя. Долговечность мотора на газовом топливе на 45% выше, чем у бензинового агрегата.
Стоит еще сказать про защитную масляную пленку в двигателе, который питается газом – со стенок цилиндров она не исчезает. Все эти особенности в своей массе свидетельствуют о том, что применение газа в качестве топлива действительно увеличивает срок эксплуатации мотора.
Кстати, при установленном ГБО срок работы свечей тоже увеличивается примерно процентов на 40. Дело в том, что при сгорании газового топлива внутри цилиндра не накапливаются смоляные отложения и, соответственно, нагара на свечах образуется намного меньше. Этому способствует большая концентрация водорода в газовом топливе.
Двигатели с ГБО и экология

- Применение ГБО значительно снижает количество вредных веществ, загрязняющих воздух.
- В газе не содержится сера.
- Нет необходимости добавлять в газ присадки.
- Газ в три раза экологически чище неэтилированного бензина.
- В цилиндрах газ сгорает полностью, благодаря чему снижается уровень СО.
Не всему и не всегда нам нужно учиться у коллективного Запада, но это тот случай, когда стоит обратить внимание на опыт тех европейских стран, в которых автомобили на газовом топливе приветствуются, а их водителям даже предоставляются льготы.
Более того, в некоторых городах Европы для водителей дизельных и бензиновых двигателей вводятся ограничения на передвижение. На владельцев электромобилей и машин с газовым двигателем эти ограничения не распространяются.
Упрощенность эксплуатации, пожароопасность

- автоматика газового впрыска самостоятельно переходит на нужный вид топлива;
- система проводит самодиагностику, результаты которой сигнализирует водителю, а также контролирует остаток газа в емкости;
- хозяин машины в любой момент может сменить вид топливо с помощью переключателя в салоне автомобиля.
Например, при уличной температуре +20 градусов по Цельсию температура газа при разгерметизации системы упадет до –130 градусов. После этого содержание баллона трансформируется в газообразное состояние и улетучится.
А если уличная температура окажется ниже нуля, то риске возгорания газа вообще говорить не приходится – он просто аннулируется. Перечисленные свойства газа, которые выгодно отличают его от легковоспламеняющегося бензина, также свидетельствуют о преимуществе двигателей на газовом топливе.
Этот факт подтверждают многочисленные эксперименты как отечественных, так и зарубежных специалистов. Например, немцы (клуб ADAC) неоднократно имитировали мощнейшие испытательные ДТП, в которых машина получала удар именно в ту часть, где находился баллон с газом.
При этом всему газовому оборудованию наносился ущерб в максимальной степени, и после этого поврежденный автомобиль поджигали. Однако результаты этого испытания оказались в пользу газового оборудования.
Эксперты выяснили, что если исправное ГБО установить правильно, оно не будет представлять опасности для водителя в процессе эксплуатации. Даже в случае ДТП газовый баллон менее опасен по сравнению с бензобаком.
Кстати, физическая прочность газового баллона значительно превышает прочность бензинового бака. Так что если и возникают возгорания машин, оснащенных ГБО — это, как правило, следствие грубых нарушений правил использования газового оборудования.
Трагические последствия подобного рода могут возникнуть при эксплуатации заведомо неисправного ГБО. То же самое происходит и с бензиновыми двигателями при нарушении правил безопасности.
Еще один плюс газового топлива – своевременное ощущение запаха при утечке. Для этого в газ добавляют специальные компоненты (меркаптаны), которые при утечке и распространяют ощутимый запах.
А теперь несколько строгих правил по обращению с газовым топливом:
- Ни в коем случае не загружайте баллоны бытовым газом.
- Соблюдайте максимально допустимое давление в газовой емкости и никогда не нарушайте этого правила.
- Неукоснительно следуйте рекомендациям изготовителя газобаллонного оборудования.
- Ориентируйтесь на требования профессиональных работников по обслуживанию газового оборудования.
Основные недостатки ГБО

Самым большим недостатком газобаллонного оборудования можно назвать его стоимость. Покупка современной системы и монтаж ее «под ключ» может вам стоить не меньше 500 долларов. Но при этом надо помнить, что эти деньги вы вкладываете в будущую экономию, причем немалую. Правда, дивиденты пойдут не сразу, а со временем и с учетом многих условий.
Мощность двигателя на газе
Если вы решитесь перейти на газовое топливо, приготовьтесь к снижению мощности вашего автомобиля почти до 15%. Это будет вызвано тем, что скорость сгорания газа значительно отстает от аналогичного показателя бензина.
Особенно вы это почувствуете при необходимости быстрого разгона. В какой-то степени компенсировать этот недостаток будут плавность работы двигателя, особенно во время разгона, а также отсутствие дерганий и провалов. Это все обусловлено медленным сгоранием газа.
Внимание! В зимнее время года запускайте двигатель только на бензине! Холодный запуск на газе губительно влияет на диафрагму редуктора и сокращает срок ее службы. На газ переходите только тогда, когда прогреете мотор до 50 градусов.
Заключение
Итак, вы остановили свой выбор на газовом топливе и приняли решение установить ГБО. В таком случае пересмотрите еще раз эту статью и постарайтесь учесть все плюсы и минусы, указанные выше. Ведь нередко случается так, что для одного автолюбителя использование газового оборудования совершенно невыгодно, а для другого служит серьезным средством финансовой экономии.
Кроме того, перед тем, как приобрести и установить газобаллонное оборудование, не забывайте о том, что оно подлежит регистрации, а после установки потребует повышенного внимания и ухода. Однако, вполне возможно, что именно для вас плюсов в ГБО окажется намного больше, чем минусов, и эта система надежно прослужит вам долгие годы.
Видео о газовом оборудовании:
В СССР основная масса грузовых автомобилей, имеющих среднюю грузоподъемность, долгое время оснащалась бензиновыми карбюраторными двигателями. Одним из представителей такого класса машин был ГАЗ-53, которому и посвящена данная статья. Грузовик выпускался на с 1961 по 1993 год. Первые машины под обозначением ГАЗ-53Ф комплектовались усовершенствованным мотором ГАЗ-51 с шестью цилиндрами (82 л.с., с нижнеклапанной схемой газораспределения).
Базовый ГАЗ-53 с двигателем ЗМЗ-53
С лета 1964 года началось производство небольшими партиями более современной версии ГАЗ-53 — с восьмицилиндровым двигателем ЗМЗ-53. Кроме нового двигателя машина получила сцепление иной конструкции и усовершенствованное электрооборудование. Машина комплектовалась модернизированной подвеской и задним мостом с главной парой с гипоидным профилем зубьев шестерен. Из внешних отличий самым заметным стало изменение облицовки радиатора. Если на ГАЗ-53Ф фары стояли вверху облицовки, то на ГАЗ-53 они сместились вниз.
ЗМЗ-53 получил блок цилиндров, отлитый из алюминиевого сплава АЛ4. Этот блок стал первым в мире блоком двигателя, изготовленным методом литья под давлением. Благодаря такой технологии удалось снизить вес детали более чем на 20 кг и габаритную длину более чем на 45 мм. В остальном ЗМЗ-53 представлял собой классический V-образный четырёхтактный двигатель с распределительным валом в развале блока цилиндров. Привод клапанов — штанговый. Основные технические характеристики двигателя ГАЗ-53 — при рабочем объёме цилиндров 4254 куб. см двигатель развивал крутящий момент до 29 кг/м в диапазоне 2000-2500 об/мин. Мощность из-за ограничителя оборотов не превышала 115 л. с. (при 3200 оборотах). Двигатель имел невысокую степень сжатия 6,7 единиц и работал на бензине А76.
Стоит отметить, что в течение всего производства двигателей ГАЗ-53 технические характеристики и параметры многих узлов оставались неизменными (например, размеры цилиндра (92 мм х 80 мм)).
Питание топливом принудительное с помощью бензонасоса Б9Д. Бензонасос устанавливался на картере двигателя ГАЗ-53. Технические характеристики насоса — диафрагменного типа с производительностью до 140 л/ч. Для фильтрации топлива стоял щелевой фильтр с отстойником и дополнительно перед карбюратором ставился сетчатый фильтр тонкой очистки. Запас бензина 90 литров находился в бензобаке на раме под кабиной.

Первые версии ЗМЗ-53 оснащались двухкамерным с падающим потоком. Карбюратор оснащался механическими экономайзером и ускорительным насосом, а также пневматическим ограничителем оборотов двигателя. Воздух для двигателя проходил очистку в инерционно-масляном фильтре с двухступенчатой очисткой воздуха. Фильтрующий сменный элемент изготавливался из капрона.
Смазка двигателя комбинированной схемы — под давлением и разбрызгиванием. Для очистки масла применялась центрифуга. Давление масла создавалось шестерёнчатым насосом, с забором масла из поддона двигателя. Двигатель оснащался масляным радиатором с воздушным охлаждением. Радиатор монтировался перед основным радиатором жидкостной системы охлаждения. Опционально мог быть установлен жидкостный подогреватель ПЖБ12.
Первая модернизация
ГАЗ-53 продержался на конвейере около года, а уже в июне 1965 появился усовершенствованный ГАЗ-53А. Грузоподъёмность, как основная характеристика автомобиля ГАЗ-53А, выросла на 1 тонну — до 4000 кг. Для компенсации выросших нагрузок на подвеску стали применять новую переднюю ось (увеличено сечение двутаврового профиля), более длинные шкворни с усиленными втулками. Поперечная рулевая тяга стала проходить над рычагами (ранее проходила под ними). Также изменился рулевой механизм, ввели более жёсткие амортизаторы передней балки.
Вторая модернизация
Следующая модернизация базовой модели (ГАЗ-53-12) состоялась только в 1983 году. Модернизация вновь коснулась увеличения грузоподъёмности — теперь она составляла 4500 кг. Грузовик стал комплектоваться усовершенствованным мотором ЗМЗ модели 53-11. Мотор получил новые головки блоков с впускными каналами винтовой формы, увеличенную до 7,0 степень сжатия (под бензин А76) и карбюратор К 135. Благодаря этим изменениям двигатель прибавил 5 л.с. максимальной мощности и расходовал на 5-7% (в зависимости от режима работы) меньше топлива.

Начиная с января 1988 года в рамках программы дальнейшей модернизации двигатель получил очередную генерацию головок блока цилиндров. В дополнение к винтовым впускным каналам головки оснастили камерами сгорания особой формы (высокотурбулентной). Головки выпускались двух видов — со степенью сжатия 7,0 и со степенью 7,6. Независимо от типа головки топливом являлся бензин А76. Тогда же появились поршни измененного профиля с уменьшенными по высоте канавками под компрессионные кольца. Изменился и материал самих поршневых колец.

- двигатель;
- передняя подвеска;
- передняя ось;
- сцепление;
- коробка передач;
- стояночный тормоз;
- карданный вал;
- вакуумный усилитель тормозов;
- задняя подвеска;
- задний мост;
- автомобиля;
- рулевое колесо.
Третья модернизация
ГАЗ-53-12 выпускался до 1989 года, когда ее начал сменять ГАЗ-3307. К началу выпуска ГАЗ-3307 был приурочен и выход очередной версии газовской «восьмёрки» — двигателя ЗМЗ-511. ГАЗ-53 и 3307 производились параллельно с 1989 по 1993 год. Мотор получил новый распредвал с иной кривизной профиля кулачков, а также увеличенную до 7,6 степень сжатия. Остальные усовершенствования в конструкции коснулись электрооборудования, материалов деталей и способов фиксации отдельных узлов. Очередные мероприятия дали прирост мощности еще на 5 л. с. Теперь ЗМЗ-511 стал выдавать до 125 л. с. (в диапазоне 3200-3400 об/мин) и момент 30 кг/м (при 2000-2500 об/мин).
ГАЗ-53 (53А) в наше время
ГАЗ-53 и его вариации производились почти 30 лет, но на сегодняшний день многие машины все еще находятся в активной эксплуатации. Часть из них уже переоборудована на дизельные двигатели, но многие еще ездят с родным «сердцем». Основной недостаток — бензиновый двигатель ГАЗ-53, технические характеристики которого (в первую очередь — экономичность) не всегда соответствуют современным реалиям. Кроме того, владельцы подвергают критике неуютную и холодную кабину с жестким и некомфортабельным сидением, рулевое управление без гидроусилителя. Но многие мирятся с этими недостатками и отмечают простоту эксплуатации и ремонта (что особенно актуально в глубинке), универсальность шасси ГАЗ-53, технические характеристики которого находятся на приемлемом уровне и, конечно, невысокую цену машины.
На базе ГАЗ-53 существует масса надстроек — ассенизационные машины, цистерны для перевозки различных жидкостей, фургоны, самосвалы, коммунальные машины, пожарная техника и многие другие.

ЗМЗ-511 сегодня
Сложно сказать, сколько восьмицилиндровых двигателей выпустил ЗМЗ с 1964 по настоящее время. Одних только ГАЗ-53 в разных исполнениях было выпущено более 4 млн штук. Кроме того, вариантными исполнениями этого мотора комплектовали ГАЗ-66, автобусы заводов ПАЗ и КАвЗ. Поэтому на сегодняшний день в строю остаются еще сотни тысяч таких двигателей. Согласно информации с сайта в настоящее время продолжается производство двух видов «восьмёрок» с объёмом цилиндров 4,25 л (ЗМЗ 513.10 и ЗМЗ 511.10), ведущих свою родословную от ЗМЗ 53.
Все двигатели на «Газель». Описание, модификации: ЗМЗ-405, 406, 402, 409, УМЗ-4216, Cummins 2.8
Машины производства завода ГАЗ типа «Газель» считаются одними из наиболее востребованных малотоннажных грузовых автомобилей в странах СНГ. Данная модель поступила в массовое производства в 1994 году. С тех пор было выпущено несколько модификаций и усовершенствований, направленных на повышение надежности, продолжительности службы и удобства эксплуатации.
Модификации двигателя «Газели» также не редкость. Можно выделить наиболее востребованные среди них:
- двигатель ЗМЗ-402;
- двигатель ЗМЗ-405;
- двигатель ЗМЗ-406;
- двигатель ЗМЗ-409;
- двигатель УМЗ-4216;
- двигатель Cummins 2.8.
Каждый из них имеет свои особенности и собственные модификации. Нужно отметить, что даже опытные мастера по ремонту двигателя иногда путаются в них. Что уж говорить об обычном водителей. Чтобы правильно купить запчасти для двигателей, необходимо знать некоторые особенности. Об этом и пойдет речь в данной статье.

Двигатели ЗМЗ для «Газели»
ЗМЗ выпускает большинство двигателей, которые устанавливаются на автомобили марки «Газель» различных моделей. Рассмотрим наиболее востребованные из них, а именно модели 402, 405, 406 и 409.
Двигатель ЗМЗ-402
ЗМЗ-402 — модификация двигателя ГАЗ-24Д. Улучшены основные узлы, а также элементы силового агрегата. Это 4-цилиндровый карбюраторный двигатель с объемом 2,5 л. Его расход топлива — 13,5 л/100 км в городском цикле.
Среди модификаций двигателя ЗМЗ-402 выделяются:
- ЗМЗ-4021.1 — в основном используется на автомобилях с повышенной проходимостью производства ГАЗ и УАЗ.
- ЗМЗ-4025.1 — карбюраторный бензиновый двигатель, у которого клапаны находятся в верхней части головки цилиндров.
- ЗМЗ-4026.1 — модель с карбюратором, в верхней части которого находятся выпускные и впускные клапаны (можно встретить на некоторых микроавтобусах ГАЗ).
Двигатель 402 последней модификации соответствует стандарту Евро-4.
Двигатель ЗМЗ-405
Двигатель 405 «Газель» используется для автомобилей производства ГАЗ. Он входит в семейство двигателей ЗМЗ 406 серии. Это инжекторный 4-цилиндровый двигатель с объемом 2 464 куб. см.
Среди имеющихся модификаций следует выделить:
- ЗМЗ-4052.10;
- ЗМЗ-40522.10;
- ЗМЗ-40524;
- ЗМЗ-40525;
- ЗМЗ-4054.10.
Двигатель применяется на автомобилях ГАЗ моделей ГАЗ-31102, ГАЗ-31105, ГАЗ «Газель» и ГАЗ «Соболь», а также некоторые модели «Фиат».
Наиболее современный двигатель ЗМЗ-405 Евро-3 соответствует международным стандартам. Были учтены все нормы токсичности.
Двигатель ЗМЗ-406
Двигатель 406 «Газель» серийно выпускается с 1996 года. Обычно устанавливается на «Газель», а также легковые автомобили «Волга». Двигатель 406 достаточно трудоемкий в эксплуатации благодаря наличию сложной системы подачи топлива, а также электронной системы управления. Он имеет 4 цилиндра и объем 2,28 л, а его номинальная мощность — 106,6 кВт. Применяется как инжекторная топливная система, так и карбюраторная.
Можно отметить 3 популярные модификации двигателя ЗМЗ-406:
- ЗМЗ-4061.10 — карбюраторный ДВС на 76 бензине (считается морально устарелым).
- ЗМЗ-4062.10 — наиболее распространенная версия с инжекторным двигателем (устанавливается на «Волгах» и «Газелях»).
- ЗМЗ-4063.10 — одна из новейших модификаций, которая работает на 92 бензине и использует карбюраторную топливную систему.
ЗМЗ-406 очень популярный и считается отличным выбором для «Газели» и «Соболь».
Двигатель ЗМЗ-409
Также отдельного внимания заслуживает двигатель ЗМЗ-409 «Газель». Нужно отметить, что данный ДВС разработан для легковых и грузопассажирских машин марки УАЗ. Однако его можно встретить на некоторых «Газелях». Выпуск был начат в 1996 году.
ЗМЗ-409 — 4-цилиндровый двигатель с объемом 2,693 литра и мощностью 94,1 кВт. Современная вариация ДВС соответствуют требованиям Евро-4. Расход топлива достигает 12 литров. При этом у ЗМЗ-409 блок цилиндров одинаковый с моделью ЗМЗ-405. Среди модификаций нужно выделить:
- ЗМЗ-409.10 — отвечает нормам Евро-2 и имеет мощность 142,8 л.с.
- ЗМЗ-4091 — выпускается в 2007 года, соответствует Евро-3 и имеет мощность 125 л.с.
- ЗМЗ-40904 — мощность равна 142,8 л.с., крышка головки изготовлена из пластика, на раме есть форсунки двухпоточного распыления, присутствует датчик абсолютного давления.
- ЗМЗ-40905 — аналогичен предыдущему, однако соответствуют Евро-4.
Двигатель надежный, простой в эксплуатации.

Прочие двигатели для «Газель»
Существуют и другие ДВС, которые используются на автомобилях «Газель» и их модификациях. Среди них выделим УМЗ-4216 и Cummins 2.8. Рассмотрим каждый из них.
Двигатель УМЗ-4216 «Газель»
УМЗ-4216 — бензиновый 4-тактный ДВС с объемом 2,89 л и мощностью 90,5 кВт. Устанавливается на «Газель-Бизнес» и «Газель-Некст». Двигатель имеет оригинальную конструкцию алюминиевого блока цилиндров, а также коленчатые валы с закалкой шатунных и коренных шеек
Среди модификаций нужно выделить:
- УМЗ-4216.10 — имеет 123 л.с., соответствует Евро-3 и использует 92 бензин.
- УМЗ-42161.10 — вариант на 93 л.с.
- УМЗ-42164.10 — мощность 124 л.с., мотор отвечает стандарту Евро-4 (самый мощный и экологичный в серии).
- УМЗ-421647.10 и УМЗ-42167.10 — газобензиновые моторы с мощностью 100 и 123 л.с. соответственно.
Двигатель очень надежный благодаря использованию более совершенных комплектующих.
Двигатель Cummins 2.8 «Газель»
Двигатель Cummins 2.8 устанавливается на машины ГАЗ «Газель» и ГАЗ «Некст», а также ГАЗ «Бизнес». Это 4-цилиндровый мотор с мощностью 88,3 кВт и объемом 2,781 л. Работает на дизельном топливе. Блок цилиндра сделан из серого чугуна с фрезерованным гильзами цилиндров. Коленчатый вал также из серого чугуна, хорошо отбалансирован.
Мы рассмотрели основные типы двигателей для «Газелей» и их наиболее востребованные модификации. Надеемся, что данная статья была вам полезна!
Дизельный мотор на газу: особенности работы, преимущества и недостатки газодизеля

Как известно, более дешевое по цене газовое топливо позволяет существенно экономить денежные средства в процессе эксплуатации различных транспортных средств. Для этого достаточно установить на автомобиль ГБО.
Что касается дизельных моторов, еще несколько лет назад перевести на газ дизельные двигатели не представлялось возможным или такие работы предполагали большую сложность. Однако сегодня ситуация в корне изменилась. Далее мы поговорим о том, как переводят дизельный двигатель на газ, что такое газодизель, а также какие плюсы и минусы имеет данное решение.
Газ для дизельного двигателя

Итак, активное развитие систем газового впрыска привело к появлению пятого поколения ГБО. Такая схема позволяет реализовать жидкий фазированный распределенный впрыск. Решение подходит для установки на любые инжекторные авто, легко интегрируется и совместимо с системами бортовой диагностики OBD и EOBD.
В случае с дизелем за основу также берется данная схема, позволяя современному турбодизелю работать на сжиженном газе. В результате такой мотор часто называют газодизелем благодаря установленному ГБО. При этом важно понимать, что сам процесс установки и настройки сильно отличается от аналогичной процедуры на бензиновых моторах. Другими словами, поставить ГБО на дизель является более сложной задачей, которая требует значительных доработок.
Принцип работы дизеля на газу: особенности

Главным отличием дизельного ДВС от бензинового является принцип воспламенения топлива в цилиндрах. В бензиновых агрегатах для поджига смеси воздуха и топлива используется искра, которая создается на свечах зажигания.
В дизеле сначала сильно сжимается воздух, который нагревается от такого сжатия. После этого в последний момент форсунка впрыскивает солярку в камеру сгорания, затем нагретая и сжатая топливно-воздушная смесь воспламеняется самостоятельно.
Теперь перейдем к ГБО. В качестве газового топлива используется метан или пропан. Однако если подать в цилиндры газ вместо дизтоплива, воспламенения не произойдет. Дело в том, что для самостоятельного поджига газо-воздушной смеси нужны более высокие температуры по сравнению с соляркой.
Естественно, при такой схеме работы возможно только частичное замещение дизтоплива газом, однако в процентном соотношении можно говорить о показателях около 25-30% солярки на 70-75% сжиженного газа. Вполне очевидно, что данное решение способно обеспечить существенную экономию дорогостоящего дизельного топлива.
Добавим, что хотя обязательный подвпрыск солярки не позволяет полностью перейти на газ, однако такая особенность дает возможность сохранить работоспособность дизельных форсунок. На практике это немаловажно, особенно с учетом высокой стоимости любых элементов топливной аппаратуры дизельного двигателя.
Рекомендуем также прочитать статью о том, какие существуют виды и типы ГБО. Из этой статьи вы узнаете о различных поколениях газового оборудования, а также об особенностях и принциах работы той или иной установки.
Еще отметим, что альтернативой описанному выше решению является полный перевод дизеля на газ. При этом необходимо полностью демонтировать топливную систему дизельного двигателя, поставить внешнюю систему зажигания, доработать ГБЦ и т.д. В результате дизель сможет работать на метане, однако сложность таких доработок и высокая стоимость работ не позволяют этому способу набрать широкую популярность.
Если просто, благодаря тесному взаимодействию со штатными системами управления ДВС, газовое оборудование «подбирает» и динамично корректирует нужное количество подаваемого газа. Это позволяет найти и сохранить оптимальный баланс между количеством дизтоплива и газа для нормальной и стабильной работы мотора во всех режимах.
Советы и рекомендации

Для качественной реализации поставленной задачи рекомендуется приобретать системы ГБО для дизеля от проверенных производителей (Westport, OMVL и т.д.). Важно, чтобы установочные комплекты были специально разработаны и адаптированы для подобных инсталляций, а также были должным образом сертифицированы.
- С большой ответственностью стоит подходить и к выбору самих установщиков. Если было принято решение поставить ГБО на дизель, лучше обратиться в крупные установочные центры, которые дают гарантию как на оборудование (в случае приобретения ГБО в конкретном установочном центре), так и на выполненные работы.
- Еще крайне желательно обращать свое внимание на новейшие разработки и технологии, так установка ГБО на дизель является более «деликатным» процессом сравнительно с бензиновыми аналогами.
Например, технология HPDI является относительно новой схемой, которая позволяет добиться высокоточной комбинированной подачи дизельного топлива и газа метана, при этом соотношение замещения солярки газом достигает отметки 95% газа к 5% дизтоплива.
В основе решения лежит особая форсунка, которая способна последовательно впрыскивать газ и солярку. Другими словами, один инжектор сначала подает в цилиндр небольшую порцию дизтоплива, а уже затем происходит основной впрыск метанового заряда.
Рекомендуем также прочитать статью о том, какие форсунки для ГБО-4 лучше выбрать. Из этой статьи вы узнаете об особенностях газовых форсунок, их осоновных отличиях от бензиновых и дизельных инжекторов, а также на каком варианте лучше остановить свой выбор в том или ином случае.
Поданное ранее дизтопливо воспламеняется естественным образом от сжатия, играя роль свечи зажигания, а основная порция газа впрыскивается ближе к самому концу такта сжатия и воспламеняется от уже горящего дизельного топлива. Подобные решения позволяют эксплуатировать дизельный ДВС на газу с максимальной экономией.
- Также добавим, что электронные системы управления двигателем после установки ГБО нужно обязательно настроить. Для этого должно использоваться уникальное программное обеспечение, которое позволяет выполнять тонкие настройки. В результате состав смеси на всех режимах будет оптимальным, что позволяет увеличить ресурс дизеля на газу, получить нужную отдачу от мотора, снизить уровень токсичности выхлопа и т.д.
Подведем итоги
Как показывает практика, на территории СНГ установка ГБО для дизелей не особенно популярна. При этом в Европе такой подход намного более востребован в сфере коммерческого транспорта. Даже с учетом относительно высокой стоимости процедуры перевода дизельного автомобиля на газ, отмечается быстрая окупаемость при больших пробегах.
Напоследок хотелось бы отметить, что для легковых дизельных автомобилей, как правило, нет необходимости устанавливать ГБО. Дело в том, что дизель сам по себе является весьма экономичным типом ДВС. Однако если речь идет о коммерческом транспорте, тогда с учетом постоянно растущих цен на топливо ситуация полностью меняется, а выгода от установки ГБО на дизельный мотор становится более очевидной.

Как установка ГБО и переход на газ влияет на двигатель и моторесурс. Особенности настройки газового оборудования, подбор масла и обслуживание ДВС на газу.

Преимущества и недостатки использования газобалонного оборудования. Обслуживание и эксплуатация ГБО, польза и вред газа для двигателя и штатных систем.

Принцип работы и отличительные особенности газовых форсунок. Основные парметры при выборе форсунок для ГБО 4. Какие газовые форсунки лучше купить.

При резком нажатии на педаль газа двигатель дергается, появились рывки и провалы, авто не набирает скорость: основные причины неисправности и диагностика.

Газобалонное оборудование. Классификация, принципы работы и конструкция. Различные поколения газовых систем, ГБО для моторов с непосредственным впрыском.
Основные причины, кторые приводят к обеднению рабочей смеси. Бедная смесь на карбюраторных и инжекторных ДВС, а также на моторах с ГБО. Диагностика, ремонт.
Источник http://dverivdmitrove.ru/dizajjn-i-dekor/kak-rabotaet-dvigatel-na-prirodnom-gaze-avtomobil-na/
Источник http://mostat-gruzovik.ru/a214394-vse-dvigateli-gazel.html
Источник http://krutimotor.ru/gbo-na-dizelnyj-dvigatel/